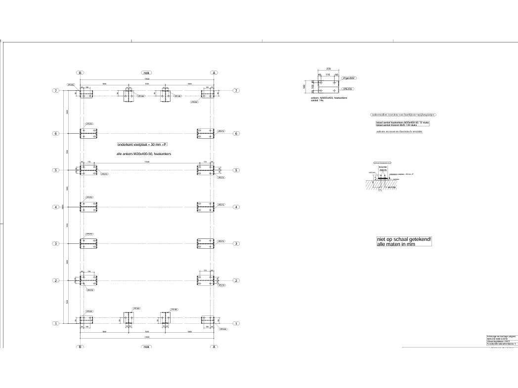
Kapschuur - staalconstructie 15 x 30 meter (450m2)

Nederlandse productie; kapschuur model met een vrije overspanning; spanten h.o.h. 5000mm; staalberekeningen; staaltekeningen; montagetekeningen; ankerplan; staal genummerd volgens montageplan; dakhelling 20 graden; 5 sets tussenspanten IPE 270/240; 2 sets eindspanten IPE 200/180 met windstijlen; voorzien van drukkokers; windverbanden; gordinglippen; bouten en moeren; meestort ankers; staalconstructie volgens productnorm EN1090 (Certificaat na aankoop verkrijgbaar); kavel ligt netjes transportklaar en dient met 1 trailer opgehaald te worden; kavel wordt gratis met een heftruck geladen No Materiaal: Thermisch verzinkt staal Type: kapschuur Bouwjaar: 2026 Totaal oppervlakte: 450m² Nok hoogte: 6730mm Goot hoogte: 3500 en 4500mm Totale afmeting L: 30000mm Totale afmeting Breedte: 15000mm

Startbod
€ 4000,00
Aantal biedingen
1
Huidig bod
€ 4000,00
Einddatum
Kavel nummer: 10
Einddatum
Einde op 23/04/2026 17:00
Veilinghuis
Vavato
© 2026 Alleveilingen. Alle rechten voorbehouden.